

QuantaSep®1000LX 双流量纯化系统
- QuantaSep®1000LX
- Sepragen
- 广东省广州市
- 一个月内
- 按需定制
- 议价
- 2023-02-06 11:32:54
广州市艾贝泰生物科技有限公司
- 英文名称
- QuantaSep®1000LX
QuantaSep®1000LX 是Sepragen公司旗下的一套将过程开发到中试/小规模cGMP生产“合二为一”高度集成的纯化系统。
QuantaSep®1000LX采用了独特的径向流色谱技术,使产品灵活性更高,同时具有操作压力低、易于线性放大、分离效率高及样品处理量大等突出优势。100:1的系统泵调节比,支持5%-95%的梯度洗脱,使产品分离更加精确;还有独特的自动排气功能和漏液监察功能,可减少不必要的产品损耗;简单直观的操作页面,便于使用和学习;QuantaSep软件符合21CFR,Part11,自动生成GMP报告。
- 硬件特点
QuantaSep®1000LX有四个泵两条流路,流速范围分别为1~100 ml/min和10~1000 ml/min,只需在操作屏幕上单击Qsep 100或Qsep 1000即可在任意一种模式下运行,轻松实现从5 ml~500 ml的工艺开发到500 ml~20 L的中试/小规模cGMP生产的转换。

- 产品的主要特点如下:
(B) 两台精密的容积式旋转活塞泵:为每条流路提供精确的流量(1~100 ml/min或10~1000 ml/min)和100:1的调节比,实现5%-95%的梯度洗脱。
(C) 含有压力传感器的在线混合器。
(D) 自动排气功能——由空气传感器和三通抽气阀组成的“主动抽气器”,可以在柱前连续检测并排除多余的空气,从而防止样品和时间的损失。
(E) 产品通过阀歧管导入色谱柱,该阀歧管可以通过正向、反向或旁通方式将流体导向色谱柱内。
(F) 柱后多模块流通池——由一个支持UV双波长(280 and 254 nm)监测,pH值、电导率和温度监测的单流通池组成,可提高传感器的反应速度和同步能力,最大限度地减少产品滞留量。
(G) 10个可选的馏分出口——这些组件安装在一个封闭的不锈钢箱体内,箱体上安装了一个漏液报警器。
- 软件功能

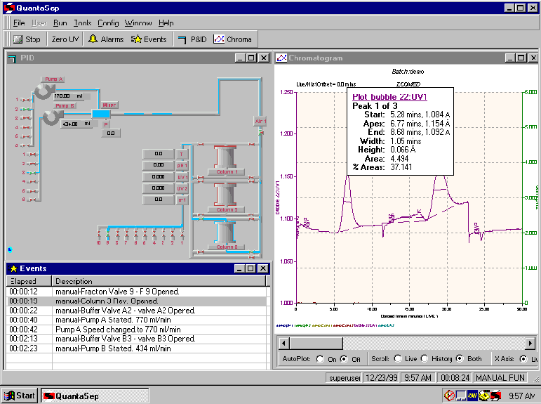
1) QuantaSep的互动式图形界面使系统易于使用和学习。下面的主界面显示了系统的流程图,包括所有主要部件及其实时状态,只需简单地点击鼠标就可以打开或关闭阀门、停止或启动系统泵、设置新的流速、馏分收集或执行其他系统操作。
2) 编程简单。通过单击工具栏上的图标打开方法编辑器,然后输入表中的步骤,逐步通过不同的缓冲区,并根据紫外线、电导率、pH等因素改变缓冲液或收集步骤。如若进行梯度收集,只需点击梯度框,选择你的梯度配置文件即可。在加载产品或程序之前,单击事件框并将UV基线设为零。
3) cGMP文档和数据分析。所有手动或自动的事件(包括偏差)都可以记录到处理日志中,包括方法、缓冲液、所有警报和事件、色谱数据和分析的报告都可以打印或存档为处理日志的一部分。即时数据分析可以帮助针对基线数据对正在进行的流程进行快速检查,从而防止损失。
4) 多级密码保护,限制用户对系统的访问。例如,一个操作员可以运行一个方法,但不能改变参数,只有主管才可以。或者只有QA可以设置校准参数,而软件中的安全管理员可以启用所有这些功能。
5) 控制和电源模块:包括所有电源、传感器和电路板、报警器、传感器电子器件(包括A/D和D/A转换器)、外部馏分收集电极接口、外部记录仪接口、外部(如用户自定义检测器输入)接口、监视器输出的数字显示、系统状态LED、紧急暂停按钮、电缆、计算机接口、保险丝块等。
6) 计算机和软件:支持Windows 10。
- 技术参数
System specifications: |
|
Part number |
50-1000-LX |
Flow rate range |
1-100 ml/min ± 3%,10-1000 ml/min ± 3% |
Gradient flow range |
5 to 95% at 20% of maximum pump speed |
Pump type |
Rotary piston with 100:1 turndown ratio |
Number of pumps |
2*2 |
Number of inlets |
12 for Pump A, 12 for Pump B |
Number of outlets |
10*2 |
Number of column ports |
3 for sequential unit operations |
Hold up volume |
Low:18 ml High:120 ml |
Sample loop ports |
Only applicable for the 100 ml/min flow path |
Column flow modes |
Forward, reverse, bypass |
Pressure rating |
50 psi |
Pressure sensor |
1-100 psi ± 1 psi |
Air sensor |
2 |
Air bubble eject size |
> 0.20" |
Leak sensor |
≥ 5 ml |
Wetted materials of construction |
Silicone, polyethylene, polypropylene, PTFE, glass, quartz, 316L stainless steel |
Chemical compatibility |
1 M NaOH 19% Alcohol |
UV absorbance |
0.1-2.0 AU ± 0.1 AU |
UV sensor |
280 nm 0-2 Au 254 nm 0-2 Au (Optional) |
UV path length |
1.0 cm |
pH |
1-14 ± 0.2 |
Conductivity sensor |
0-200 ms |
Temperature |
4-25ºC |
Component Footprint |
21"x26" x15" |
System weight |
125 lbs |
External connections for 1000 ml/min flow path |
1/2”TC, True Union Clamp, PVDF |
Power supply |
15A @ 115/220 V @ 60/50 Hz; 3A fuses |
Actuator operations |
Electromechanical (no pressurized air needed) |
Instrumentation enclosure |
NEMA 4X Panel |
Operating system |
Windows 10 |
QuantaSep software version |
4.3 or later, compliant to 21 CFR Part 11 |