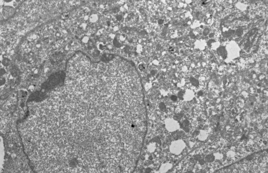
线粒体形态学检测
- YZ-035
- 亚载生物
- 上海市
- 一个月内
- 按需定制
- 议价
- 2022-08-17 11:42:49
上海亚载生物科技有限公司
一键申请试用
咨询
加入意向单
联系方式
线粒体
线粒体是细胞生成ATP的主要地点,是促进细胞能量转换、参与细胞凋亡的重要细胞器。
实验方法
Step1:细胞培养
Step2:转染或药物处理
Step3:细胞收集
Step4:电镜检测
结果展示

实验周期及交付标准
1. 实验周期:1个月左右
2. 交付标准:透射电镜图片、实验报告(实验步骤、试剂、仪器等)
需确认的信息
1. 样本的种属及类型(组织还是细胞)
2. 样本的数量
3. 拍照要求以及分析要求
为你推荐
